H/Duty Female / Female Cushion Coupling
H/D FEMALE /FEMALE CUSHION COUPLING
HEAVY DUTY BARE-Co PATENT FEMALE / FEMALE CUSHION COUPLINGS

B6501      Anti - Clockwise Rotation

  • Patented Heavy Duty Cushion Coupling providing limited predetermined rotational travel whilst carrying a MASSIVE 5000 NM (3688 ft/lbs) of Torque.
  • Danish Super Valve Spring Quality drive springs combined with 1 piece heat treated Drive and Driven Plates provide ultimate reliability.
  • Designed for LARGE Multihead Cutters with Timed Blades which preclude the use of safety slip clutches.
  • Without the Bare-Co® Heavy Duty Cushion Coupling, these machines can suffer outer gearbox coupling & shaft failures due to the flywheel effect of associated cutter disks being combined with tractor PTO torque.
1 3/8" x 6 Spline Couplings
PART No.
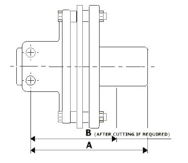
Diameter
Overall Length
Dimension
Rotation
Description
"A"
"B"
8" dia (200mm)
6 3/4" (171mm)
to...
9 3/4" (248mm)
[can be cut to length
by the user]
8.46" (215mm) 
5.5"
(140mm)   
Anti-Clockwise
1 3/8" x 6 spline female - female
Clockwise
1 3/8" x 6 spline female - female
1 3/4" x 20 Spline Couplings
8" dia (200mm
6 3/4" (171mm)
to...
9 3/4" (248mm)
[can be cut to length
by the user]
8.46" (215mm)   
5.5"
(140mm)   
Anti-Clockwise
1 3/4" x 20 splines female - female
Clockwise
1 3/4" x 20 splines female - female
FEATURES
  • Replaces light duty rubber couplings
  • Radial springs absorb shocks with radial travel limited to 1/2 " (12mm) to suit timed shaft applications (Rotary cutters with overlapping timed blades)
COUPLING - SPARE PARTS

REF. No.
PART No.
DESCRIPTION
1
Cotter Bolt - Fits 1 3/4" x 20 Spline couplings with Single Cotter Bolt.
Cotter Bolt - Fits 1 3/8" x 6 Spline couplings.
2
Base 1 3/8" x 6 Spline
Base 1 3/4" x 20 Spline
2A
Freewheel Base 1 3/8" x 6 Spline Anticlockwise
Freewheel Base 1 3/8" x 6 Spline Clockwise
3
Spacing Collar
4
Outer Spider Plate
5

Drive Spring RED- 8 Required

Drive Spring GREEN- 8 Required

6
Inner Spider 1 3/8" x 6 Spline Female - Clockwise
Inner Spider 1 3/8" x 6 Spline Female - Anticlockwise
Inner Spider 1 3/4" x 20 Spline Female - Clockwise
Inner Spider 1 3/4" x 20 Spline Female - Anticlockwise
7
Bearing - fits 1 3/8" x 6 Spline Spider
Bearing - fits 1 3/4" x 20 Spline Spider
8
Bearing Housing - fits 1 3/8" x 6 Spline Spider
Bearing Housing - fits 1 3/4" x 20 Spline Spider