Home
Search
Dealer Login
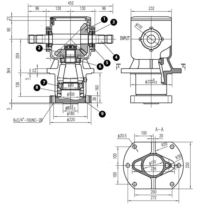
200HP Rotary Cutter Gearbox
150/200HP Gearbox
Part No.
B9992
- 1:1.65 ratio
Increase
Part No.
B9993
- 1:1
SPECIFICATIONS
HOUSING:
SHAFTS:
GEARS:
SEALS:
BEARINGS:
OIL:
WEIGHT:
INPUT SHAFT:
60-45-10 Nodular
UNS G51200
UNS G51200
Input
- Double Lipped
Output
- Unitary Lower Seal with Standard internal Lower Seal.
Tapered Roller
EP-140
176 lbs, 80kg
1 3/4" x 20 spline
A
= 200 mm (7.87")
NOTE:
Rotate Gearbox for Reverse Rotation
SPARE PARTS
REF
PART No.
DESCRIPTION
1
B3232
Input Pinion 1:1./65 Ratio
B3234
Input/ Output Pinion 1:1 Ratio
2
B3233
Output Pinion 1:1./65 Ratio
B3234
Input/ Output Pinion 1:1 Ratio
3
B4363
Input Seal 2 Req.
4
B3231
Cross Shaft
5
B4366
Cross Shaft
Bearing 2 Req.
6
B4365
Inner Lower Bearing
7
B4364
Outer Lower Bearing
8
B4362
Inner Lower Seal
B4361
Outer Lower Seal
9
B3230
Output Shaft